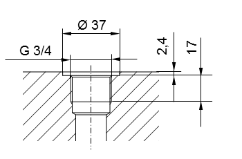
Filetage de tuyau ISO 228 partie 1 - G3/4 pour tétons à visser selon DIN 3852 partie 2, forme A (avec joint d'étanchéité selon DIN 3869) ou forme B (avec arête d'étanchéité)
Ne pas utiliser de produit d'étanchéité.