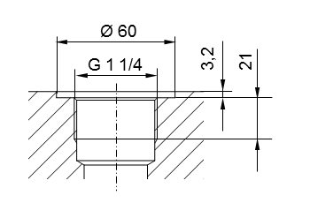
Orifice taraudé hydraulique pour raccord vissé G1 1/4 Profil de filetage
Filetage de tuyau ISO 228 partie 1 - G1 1/4 pour les tourillons à visser selon DIN 3852 partie 2, forme A (avec joint d'étanchéité selon DIN 3869) ou forme B (avec arête d'étanchéité)