Fonctions des blocs de commande hydrauliques
  • Mise en marche, pour un démarrage sans à-coups ni chocs
  • Isolement, pour séparer les axes d'entraînement de l'alimentation en fluide
  • Mode de réglage, pour le déplacement à vitesse réduite
  • Court circuit des chambres, pour l'optimisation de la fin d'amortissement par la technique de commande

Fonctions générales
Exemples de blocs-valves

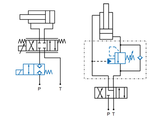
Déconnexion de P

Cette fonction déconnecte l'entrainement de l'alimentation en pression. Ceci est réalisé à l'aide de vannes d'arrêt sur la ligne de pression P.

Définir l'affaissement

Le réglage de la vitesse de descente peut être parfois nécessaire pour protéger les personnes ou les composants. Ceci est réalisé avec une vanne de freinage de descente (vanne de contre-pression) dans le raccord de retour.

Bloc-vanne pour l'arrêt de P ou l'affaissement défini
Bloc-vanne pour débit variable
Débit variable

En cas de dynamique élevée, plusieurs servo valves sont connectées via un bloc de raccordement afin de permettre un débit élevé. À faible vitesse, on ne travaille qu'avec une petite vanne. Ceci est réalisé avec deux vannes de réglage ou vannes de direction ou plus.

Chaque bloc de commande doit être conçu individuellement pour l'application concernée. Cette personnalisation est réalisée par les spécialistes des blocs hydrauliques de Hänchen. Vous trouverez ci-dessous les fonctions possibles qui peuvent être intégrées dans le bloc.

Fonctions de sécurité
Exemples de commandes hydrauliques

En plus de leur fonction technique, les machines doivent également satisfaire aux exigences de sécurité définies par l'évaluation des risques, afin de minimiser les dangers pour les personnes. Grâce à une exécution redondante, les fonctions hydrauliques suivantes peuvent être utilisées comme fonctions de sécurité pour PLe :

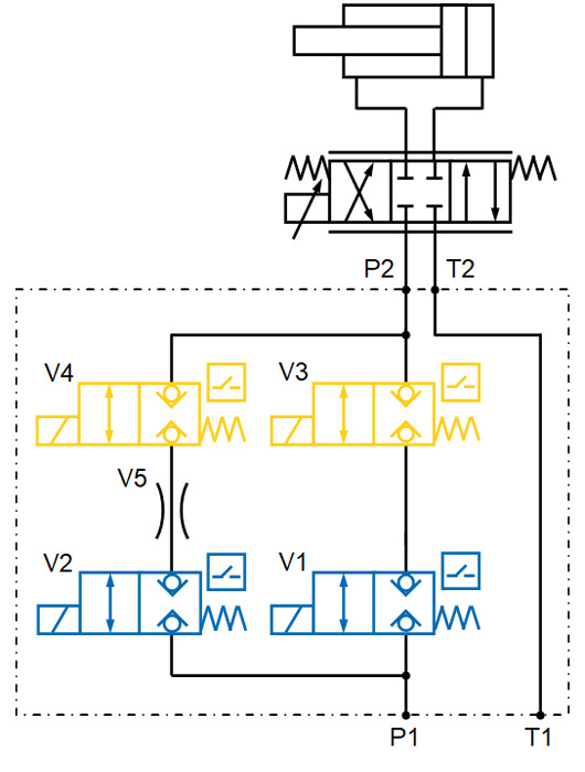
Vitesse réduite

En mode de réglage, il peut être nécessaire de réduire la vitesse afin d'éviter les dangers pertinents pour la sécurité. Ceci est réalisé via un bypass avec une vanne d'arrêt V2 et un restricteur V5 et une vanne d'arrêt V1 dans le débit volumétrique principal.

Bloc de sécurité hydraulique pour vitesse réduite
Déconnexion de A et/ou B

La position du vérin est maintenue par force en enfermant l'huile dans les chambres. Cela est possible grâce aux vannes d'arrêt V1 et/ou V2 sur les conduites A et/ou B. Dans le cas de fentes d'étranglement à l'intérieur du consommateur, les conduites d'huile de fonction doivent aussi être déconnectées

Bloc de sécurité hydraulique pour l'isolement A et/ou B

Fonction de sécurité : Exécution redondante des vannes d'arrêt (V3 et V4) surveillées en position et montées en série

Concept de sécurité pour machines et installationsNous vous aidons à mettre en œuvre un concept de sécurité pratique pour votre machine, qu'elle soit nouvelle ou existante.
Bloc de sécurité pour machines et systèmesNous vous aidons à mettre en place un système de commande hydraulique sûr. Contactez-nous !

Exemple d'application pour un banc d'essai
Bloc hydraulique en tant que bloc de sécurité

Lors de la réalisation d'essais de matériaux, il faut s'assurer que les personnes travaillant sur le banc d'essai peuvent le faire en toute sécurité et ne subissent pas, par exemple, de blessures par écrasement ou coupure. Pour la commande sûre du débit hydraulique pour PLd, les fonctions suivantes sont utilisées dans un bloc de sécurité :

  • Mode de fonctionnement normal (à 200 l/min) isolable de manière redondante
  • Circuit de réglage à vitesse réduite (avec 15 l/min)
  • Arrêt du circuit de réglage en version redondante
  • Augmentation et réduction continues de la pression pour une mise en marche et un arrêt du consommateur pratiquement sans à-coups
Menu
DE