Surfaces rodées, précision géométrique, longue durée de vie. Conformes aux dimensions d'implantation et aux pièces de fixation de la norme, ces séries convainquent par les valeurs internes de Hänchen.
Dans la qualité Hänchen typique, avec des éléments d'étanchéité adaptés, ces vérins normalisés répondent aux exigences techniques les plus élevées, pour des entraînements sûrs et fiables. Les vérins normalisés Hänchen correspondent aux dimensions d'implantation selon DIN ISO 6020/6022.
Hänchen développe et produit des vérins hydrauliques de haute qualité pour les exigences les plus diverses.

Il existe de nombreuses normes pour les vérins hydrauliques : les normes dimensionnelles sont destinées à garantir l'interchangeabilité entre les fabricants. Pour les vérins ronds, les normes suivantes s'appliquent : DIN ISO 6020-1, DIN ISO 6022. Les outils pour les vérins normalisés, comme par exemple les têtes de rotule, sont couverts par la norme DIN ISO 8132.
La norme dimensionnelle décrit donc les dimensions d'implantation des vérins normalisés, mais pas la qualité ou le matériau du vérin hydraulique.
Voir aussi : https://www.iso.org
Conseil : toujours comparer les dimensions normalisées entre les fabricants, car la norme autorise de grandes tolérances.
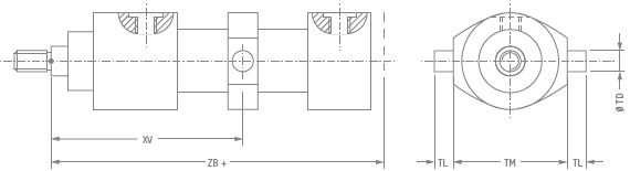
Vérins normalisés avec les mêmes dimensions d'implantation en comparaison :
à gauche Vérin hydraulique selon ISO 6022 avec fin d'amortissement
à droiteVérin hydraulique de la série 550 sans fin d'amortissement
Vous trouverez nos accessoires normalisés disponibles selon ISO 8132 / 8133 et autres accessoires dans le configurateur de produits HÄKO adaptés à votre vérin sélectionné.
Type d'effet : vérin simple tige | Systèmes de joints : système de base, Servocop®, Servofloat® | Vitesses : jusqu'à 0,5 m/s | Course : 1 - 6 000 mm
Vous pouvez réaliser le calculation hydraulique des vérins hydrauliques, ainsi que la sélection des accessoires, vannes et fiches techniques appropriés dans notre configurateur de produits HÄKO.
| Série 160 DIN ISO 6020-1 |
Série 550 DIN ISO 6022 |
||||
| Alésage (mm) |
Ø tige (mm) |
Force F1 | F2 (kN) |
Pression max. (bar) |
Force F1 | F2 (kN) |
Pression max. (bar) |
| 25 | 14 | 7,9 | 5,4 | 160 | --- | --- |
| 32 | 18 | 12,9 | 8,8 | 160 | --- | --- |
| 40 | 22 25 28 30 |
20,1 | 14,0 --- 20,1 | 10,3 --- |
160 --- 160 --- |
--- 31,4 | 19,1 --- 31,4 | 13,7 |
--- 250 --- 250 |
| 50 | 28 30 36 40 |
31,4 | 21,6 --- 31,4 | 15,1 --- |
160 --- 160 --- |
--- 49,1 | 31,4 --- 49,1 | 17,7 |
--- 250 --- 250 |
| 60 | 40 50 |
--- --- |
--- --- |
70,7 | 39,3 70,7 | 21,6 |
250 250 |
| 63 | 36 45 |
49,9 | 33,6 49,9 | 24,4 |
160 160 |
--- --- |
--- --- |
| 80 | 45 50 56 60 |
80,4 | 55,0 --- 80,4 | 41,0 --- |
160 --- 160 --- |
--- 125,7 | 76,6 --- 125,7 | 55,0 |
--- 250 --- 250 |
| 100 | 56 60 70 80 |
125,7 | 86,3 --- 125,7 | 64,1 --- |
160 --- 160 --- |
--- 196,3 | 125,7 --- 196,3 | 70,7 |
--- 250 --- 250 |
| 125 | 70 80 90 100 |
196,3 | 134,8 --- 196,3 | 94,6 --- |
160 --- 160 --- |
--- 306,8 | 181,1 --- 306,8 | 110,4 |
--- 250 --- 250 |
| 140 | 100 | --- | --- | 384,8 | 188,5 | 250 |
| 160 | 90 110 |
321,7 | 219,9 321,7 | 169,7 |
160 160 |
--- --- |
--- --- |
| 200 | 110 140 |
502,7 | 350,6 502,7 | 256,4 |
160 160 |
--- --- |
--- --- |
F1 = force en poussant lors de la sortie de tige du vérin | F2 = force en tirant lors de la rentrée de tige du vérin