Ce qui nous distingue :
  • Produits de haute précision dimensionnelle
  • Conception spécifique au client
  • Disponibilité accrue de l'installation de production
  • Assistance sur site

Vérin hydraulique comme colonne de guidage
dans les bâtis de moulage

La colonne de guidage hydraulique est une colonne trempée à l'extérieur avec un vérin hydraulique intégré. Ainsi, les charges couplées à la tige de piston peuvent être guidées et déplacées avec précision, sans solliciter le vérin lui-même par des forces radiales.

Avec la colonne de guidage hydraulique, deux fonctions peuvent être réalisées avec un seul composant, ce qui permet de gagner de la place : le mouvement linéaire d'un vérin hydraulique et le guidage exact d'une colonne ronde. Grâce à la surface trempée de la colonne de guidage, de très grandes forces de guidage peuvent être transmises.

 

Exécution

Vérin simple tige avec fin d'amortissement deux côtés

Équipement

Système de joints fond : Servocop®
PU/NBR pour huile hydraulique jusqu'à 100°C
PU+/NBR pour HFC jusqu'à 60°C
FKM pour des températures jusqu'à 200°C

Qualité de la tige

20MnV6 chromé et rodé
42CrMo4V trempé, chromé et rodé

Vérin hydraulique comme colonne de guidage dans les bâtis de coulée
fixation

Vérin : bride rectangulaire côté arrière,
Tige de piston : taraudage

Orifices taraudés hydrauliques

selon ISO 228
Position du raccordement : intégré côté piston et tige ou les deux côté piston

Tube de guide

extérieur : couche superficielle trempée 52 HRC, chromée en option
intérieur : rodé

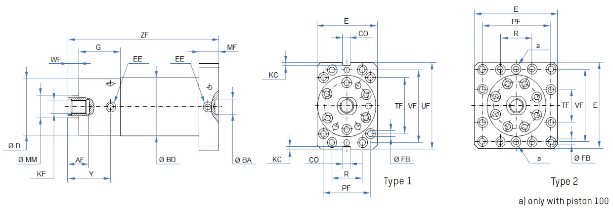
Données techniques des vérins hydrauliques utilisés comme colonne de guidage dans les bâtis de coulée

Alésage

MM
f7

Course** KF AF
min.
WF ZF** G MF BD
f9
D BA
H7
Y PL EE
80 50 430 M 30 35 28 729 28 50 130 129,8 40 78 27 G 3/4*
100 60 250 M 36 45 30 615 114 55 155 154 40 119 32 G 3/4
100 60 400 M 42 x 1,5 60 28 835 105 70 160 155 50 110 40 G 3/4
125 80

400

 M 60 x 2 55 42 949 154 70 180 179,8 50 162 33 G 1

 

Alésage

Bride

UF E TF VF R PF CO
-0,1
KF FB p max.
80 Type 1 185 130 155 122 60 102 - - 19 160 bar
100 Type 1 225 155 150 190 64 118 25 5 21 200 bar
100 Type 2 255 250 70 170 100 204 - - 26 160 bar
125 Type 2 - 255 70 210 100 210 - - 26 160 bar

Dimensions en millimètres

* EE côté avant supplémentaire dans la bride côté arrière
** Course et longueur d’installation différentes

Vérin de mandrin
pour moules de moulage sous pression

Les vérins à mandrin sont des vérins hydrauliques particulièrement robustes, adaptés aux exigences des machines de fonderie sous pression.

Grâce au système de détection de position monté à l’extérieur avec contacteurs de fin de course, les deux fins de course peuvent être positionnées de manière flexible dans n’importe quelle position. La tige de piston est protégée contre la torsion par le système de détection de position.

Un système de joints moderne augmente la durée de vie des vérins.

 

Exécution

Vérin simple tige, en option avec amortissement de fin de course

Équipement

Système de joints fond : Servocop®
PU/NBR pour huile hydraulique jusqu'à 100°C
PU+/NBR pour HFC jusqu'à 60°C
FKM pour des températures jusqu'à 200°C

Qualité de la tige

20MnV6 chromé et rodé
42CrMo4V trempé, chromé et rodé

Vérin de <strong wg-1="">mandrin</strong> dans les machines de fonderie
fixation

Cylindre : bride de remplacement rapide côté avant
Tige de piston : extrémité de tige à bride

Orifices taraudés hydrauliques

selon ISO 228
Position du raccord : côté arrière et côté avant

Pression admissible

jusqu'à 160 bar

Alésage Tige
  Ø
Orifice taraudé Purge LB a d C b c c2 c3 l8 l9
40 20 G 1/4  M 8 x 1  134 13 19 20 10 68 50 52 53 14
50 25 G 3/8  M 8 x 1  150 17 24 26 13 80 60 64 61 15
60 30 G 1/2  M 8 x 1  164 20 29 30 15 95 70 76 68 17
80 40 G 1/2  M 8 x 1  199 27 39 40 20 116 95 102 73 23
100 50 G 3/4  M 8 x 1  217 34 49 50 25 140 120 126 76 22
125 60 G 1  M 8 x 1  248 40 59 60 30 168 145 158 80 38
140 80

G 1 1/4

 M 8 x 1  268 54 79 80 40 200 160 180 89 31
160

100

G 1 1/4  M 8 x 1  302 67 99 100 50 220 190 202 91 50

160

120

G 1 1/4  M 8 x 1  326 80 119 120 60 240 220 228 110 46,5

 

Alésage Tige
  Ø
z1 MF k FB UF E H LF+
40 20 60 40 105 18 141 80 98 60
50 25 60 40 150 25 200 90 103 60
60 30 70 50 160 25 210 110 113 60
80 40 70 50 180 25 230 130 123 60
100 50 75 55 210 25 260 150 133 60
125 60 85 65 250 30 310 180 148 60
140 80 85 65 280 35 350 220 168 60
160 100 100 80 290 39 370 240 178 60
160 120 110 90 310 45 400 260 188 60

 

Dimensions en millimètres

Menu
DE